AYA FASTENERS sín alixlɛ́mɛ|Etɛwu è ka sɔ́ Nylon Insert Hex sín AYA sín AYA FASTENERS?
Mar 17, 2023
É ɖò mɔ̌ có, è ɖó na hɛn nǔ e è nɔ ylɔ ɖɔ nylon é dó ayi mɛ, bo na dó sixu na kancica e ɖò ayijayǐ mɛ lɛ é ɖò nǔwiwa vovo lɛ mɛ. È nɔ sɔ́ gan dó bló nǔ enɛ na ɖò ɖiɖe ɖaxó ɖé mɛ, bo nɔ lɛ́ bló nylon sín hǔn ɖé bɔ é nɔ zɔ́n bɔ è nɔ sɛ̀ tɛn sín yiyi kpo hlɔnhlɔn ɖevo lɛ kpo mɛ ǎ.
Nǔ e è nɔ zán lɛ é sín tinmɛ EMAIL:SALES@AYAFASTENERS.COM
Agbaza alɔkpa enɛ e ɖò nut alɔkpa enɛ mɛ é nɔ zɔ́n bɔ é nɔ bɔkun bɔ è na bló bɔ é na bɔkun alǒ è na tún kpo tournevis ɖé kpo alǒ xú ɖé kpo. nylon inlay, e è nɔ ylɔ ɖɔ lock torque torque é wɛ ɖò tɛn tɔn mɛ, bɔ è nɔ bló bɔ é nɔ hɛn kàn ɔ syɛnsyɛn, bo nɔ gbɛ́ ɖɔ è ni ma bló nǔkún ɔ ó ɖó è nɔ sɛ̀ tɛn ǎ wutu.
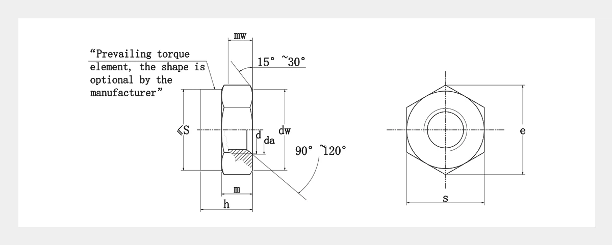
Nylon Insert Hex Nut Nut Nut Tavo(DIN 985) EMAIL:SALES@AYAFASTENERS.COM

| Lin tamɛ dó nǔ jí d |
M3 | M4 | M5 | M6 | M7 | M8 | M10 | M12 | M14 | M16 | M18 | ||||
| P | Sô do | Kàn tɛ́ kàn | 0.5 | 0.7 | 0.8 | 1 | 1 | 1.25 | 1.5 | 1.75 | 2 | 2 | 2.5 | ||
| Kàn ɖagbe 1 | / | / | / | / | / | 1 | 1 | 1.5 | 1.5 | 1.5 | 2 | ||||
| Kàn ɖagbe 2 | / | / | / | / | / | / | 1.25 | 1.25 | / | / | 1.5 | ||||
| yì | Cɛɛ | 3 | 4 | 5 | 6 | 7 | 8 | 10 | 12 | 14 | 16 | 18 | |||
| max | 3.45 | 4.6 | 5.75 | 6.75 | 7.75 | 8.75 | 10.8 | 13 | 15.1 | 17.3 | 19.5 | ||||
| dŏ wŭ | Cɛɛ | 4.6 | 5.9 | 6.9 | 8.9 | 9.6 | 11.6 | 15.6 | 17.4 | 20.5 | 22.5 | 24.9 | |||
| e | Cɛɛ | 6.01 | 7.66 | 8.79 | 11.05 | 12.12 | 14.38 | 18.9 | 21.1 | 24.49 | 26.75 | 29.56 | |||
| h | max=nu lɛ sín ɖaxó . | 4 | 5 | 5 | 6 | 7.5 | 8 | 10 | 12 | 14 | 16 | 18.5 | |||
| Cɛɛ | 3.7 | 4.7 | 4.7 | 5.7 | 7.14 | 7.64 | 9.64 | 11.57 | 13.3 | 15.3 | 17.66 | ||||
| m | Cɛɛ | 2.4 | 2.9 | 3.2 | 4 | 4.7 | 5.5 | 6.5 | 8 | 9.5 | 10.5 | 13 | |||
| mw | Cɛɛ | 1.65 | 2.2 | 2.75 | 3.3 | 3.85 | 4.4 | 5.5 | 6.6 | 7.7 | 8.8 | 9.9 | |||
| s | max=nu lɛ sín ɖaxó . | 5.5 | 7 | 8 | 10 | 11 | 13 | 17 | 19 | 22 | 24 | 27 | |||
| Cɛɛ | 5.32 | 6.78 | 7.78 | 9.78 | 10.73 | 12.73 | 16.73 | 18.67 | 21.67 | 23.67 | 26.16 | ||||
| Lin tamɛ dó nǔ jí d |
M20 | M22 | M24 | M27 | M30 | M33 | M36 | M39 | M42 | M45 | M48 | ||||
| P | Sô do | Kàn tɛ́ kàn | 2.5 | 2.5 | 3 | 3 | 3.5 | 3.5 | 4 | 4 | 4.5 | 4.5 | 5 | ||
| Kàn ɖagbe 1 | 2 | 2 | 2 | 2 | 2 | 2 | 3 | 3 | 3 | 3 | 3 | ||||
| Kàn ɖagbe 2 | 1.5 | 1.5 | / | / | / | / | / | / | / | / | / | ||||
| yì | Cɛɛ | 20 | 22 | 24 | 27 | 30 | 33 | 36 | 39 | 42 | 45 | 48 | |||
| max | 21.6 | 23.7 | 25.9 | 29.1 | 32.4 | 35.6 | 38.9 | 42.1 | 45.4 | 48.6 | 51.8 | ||||
| dŏ wŭ | Cɛɛ | 27.7 | 29.5 | 33.2 | 38 | 42.7 | 46.6 | 51.1 | 55.9 | 60.6 | 64.7 | 69.4 | |||
| e | Cɛɛ | 32.95 | 35.03 | 39.55 | 45.2 | 50.85 | 55.37 | 60.79 | 66.44 | 72.09 | 76.95 | 82.6 | |||
| h | max=nu lɛ sín ɖaxó . | 20 | 22 | 24 | 27 | 30 | 33 | 36 | 39 | 42 | 45 | 48 | |||
| Cɛɛ | 18.7 | 20.7 | 22.7 | 25.7 | 28.7 | 31.4 | 34.4 | 37.4 | 40.4 | 43.4 | 46.4 | ||||
| m | Cɛɛ | 14 | 15 | 15 | 17 | 19 | 22 | 25 | 27 | 29 | 32 | 36 | |||
| mw | Cɛɛ | 11 | 12.2 | 13.2 | 14.8 | 16.5 | 18.2 | 19.8 | 21.5 | 23.1 | 24.8 | 26.5 | |||
| s | max=nu lɛ sín ɖaxó . | 30 | 32 | 36 | 41 | 46 | 50 | 55 | 60 | 65 | 70 | 75 | |||
| Cɛɛ | 29.16 | 31 | 35 | 40 | 45 | 49 | 53.8 | 58.8 | 63.8 | 68.1 | 73.1 | ||||
| Nǔ e è nɔ bló lɛ é: É hwe hú alǒ é sɔgbe xá M 16: Kplékplé A . >M 16: Kplékplé B . ‐, Nǔ: Gan, nǔɖokan lɛ: É hwe hú alǒ é sɔgbe xá M39: 5,6*,8,8,8,8,8; > M39: Akɔjijɛ. DIN 267-4 * Nukúnmɛ e ɖó kàn ɖagbe lɛ é kɛɖɛ Nǔ e è nɔ zán é (isrret): Nonmetallique, eg polyamide |
|||||||||||||||
Nǔ taji e Nylon Insert Hex Lock Nut Nut EMAIL:SALES@AYAFASTENERS.COM
Ɖi nut alɔkpa ɖebu ɖɔhun ɔ, nut enɛ ɔ ɖesu ɖo nu bunɔ ɖe lɛ bɔ e nɔ ɖe e gbɔn vo nu nuts alɔkpa ɖevo lɛ. Nǔ taji e ɖò Nylon Insert Hex Lock Nut mɛ lɛ é ɖé lɛ ɖ’emɛ, bɔ é nɔ zɔ́n bɔ è nɔ sɔ́ nut ɔ ɖó tɛn tɔn mɛ bo nɔ lɛ́ hɛn nǔ gblé dó mɛ wu.
Gɔ́ na ɔ, nǔ e nɔ zɔ́n bɔ è nɔ hɛn nǔ e è nɔ ylɔ ɖɔ nylon é ɖé é nyí nǔ taji ɖé ɖò nut alɔkpa enɛ mɛ, ɖó é nɔ bló bɔ è nɔ hɛn nǔ syɛnsyɛn ɖé lɛlɛ̌ dó kàn ɔ, bɔ enɛ nɔ zɔ́n bɔ è nɔ hɛn ɛ ɖó mimɛ̌ jí ɖò alɔkpa e syɛn hú mɔ̌ é mɛ. Nut nylon hex ɔ tlɛ nɔ ɖí xwi xá nǔ e è sixu zán ɖò nǔwiwa gègě mɛ bo nɔ bló azɔ̌xwé vovo lɛ é. Nǔ nyí mɔ̌, ɖó nut enɛ sixu dɛ ɖò huzuhuzu e ɖò ayikúngban ɔ jí lɛ é nukɔn, bo ma ka na gɔn nǔ wà ɖó lee é na w’azɔ̌ gbɔn é wu ǎ.
Nu gudo tɔn ɔ, nuts enɛ lɛ nɔ syɛn tawun ɖó è sɔ́ nǔ e è nɔ zán dó bló nǔ lɛ na lɛ é dó bló ye na. Hwenu línlín{2}} e nɔ nɔ ayǐ nú táan gegě é nɔ zɔ́n bɔ ye nɔ nyí akwɛzinzan e jɛxa é ɖé.
Nukɔnyiyi Nylon Insert Hex Lock Nut EMAIL:SALES@AYAFASTENERS.COM
Ðó ye nyɔ́ ɖɛkpɛ bo lɛ́ nyɔ́ zán wutu ɔ, nǔkún enɛ lɛ nɔ na lè vovo lɛ, kaka jɛ nǔ elɔ lɛ jí:
●É ɖò mɔ̌ có, è nɔ bló bɔ è nɔ zán hwǐ ɖé alǒ atín e nɔ nyí pliers é ɖé dó bló bɔ è nɔ hɛn nǔkún ɔ ɖó te, bo nɔ lɛ́ ɖè xú ɔ sín agbaza mɛ.
● É nɔ bló bɔ è nɔ hɛn nǔ e è sɔ́ dó bló nylon é ɖó te, bɔ é nɔ hɛn kàn e è sɔ́ fɛ́n dó bló na lɛ é ɖó te, bo nɔ lɛ́ bló bɔ è nɔ gɔn jɔhɔn mɛ, bo nɔ cyɔn alɔ nǔkún ɔ jí bonu é ma túnflá ó.
●Nǔ e è hɛn ɖ’ayǐ é: Nuts enɛ lɛ nɔ zɔ́n bɔ nut ɔ nɔ kpɔ́n te d’eji bo nɔ lɛ́ hɛn nǔ e è nɔ ylɔ ɖɔ bolt é ɖó kpɔ́. Enɛ wu ɔ, é na ɖibla nɔ ayǐ nú táan gegě, bo na lɛ́ vɛwǔ hugǎn bɔ è na lɛkɔ yì gudo.
● É sixu ɖè nǔ e nɔ tɔ́n sín mɛ lɛ é kpò: Nuts enɛ lɛ nɔ d’alɔ bɔ sin e nɔ gbɔn kàn ɔ jí lɛ é sixu ɖè ye kpò. È nɔ hɛn kplékplé ɔ bǐ xú ɖó nǔ enɛ wu.

nùwlanwlan EMAIL:SALES@AYAFASTENERS.COM
Hwenu e è ɖó na ɖó kancica e ɖò ayijayǐ mɛ é ɖé é ɔ, è nɔ zán Nylon Insert Hex Lock Nut ɖò nǔwiwa vovo lɛ mɛ. Fí e è nɔ zán nǔkún enɛ lɛ ɖè hwɛhwɛ lɛ é ɖíe:
Azɔ̌xwé mɔ̌to tɔn:È nɔ zán nǔkún enɛ lɛ ɖò mɔ̌tozɔ́ ɔ mɛ bo nɔ hɛn nǔ gègě, kaka jɛ kɛkɛví lɛ, frein lɛ kpo mɔ̌to lɛ kpo jí, ɖò tɛn yetɔn mɛ.
Macinú azɔ̌xwé tɔn lɛ:È nɔ zán nǔkún enɛ lɛ ɖò macinu azɔ̌xwé tɔn vovo lɛ mɛ lɔmɔ̌. Ðò akpáxwé enɛ mɛ ɔ, è nɔ zán ye dó hɛn nǔ e ɖ’emɛ lɛ é ɖó tɛn yetɔn mɛ, bo nɔ lɛ́ ɖó ye te bonu ye ma nɔ xò nǔ kpɔ́n ɖó jɔhɔn ɖaxó ɖé wu ó.
Azɔ̌xwé xɔgbigbá tɔn:Nǔ e è nɔ sɔ́ dó bló nǔ e è nɔ ylɔ ɖɔ conséte é, staffolding, gan e è sɔ́ gan dó bló na lɛ é, kpo nǔ ɖevo lɛ kpo bǐ wɛ è nɔ hɛn ɖó te, bɔ è nɔ hɛn nǔ e ɖò xɔgbigbázɔ́ ɔ mɛ lɛ é ɖó te. È nɔ zán nǔkún enɛ lɛ tawun ɖò azɔ̌xwé enɛ mɛ.
Azɔwanú e nɔ zán èlɛktliki lɛ é:Nuts enɛ lɛ nɔ wà azɔ̌ vovo ɖò nǔ e nɔ hɛn nǔ gblé dó mɛ wu lɛ é mɛ. Ði kpɔ́ndéwú ɔ, è sixu zán nǔkún enɛ lɛ dó bló bɔ nǔ lɛ na cí transformateurs kpo switchgear kpo ɖɔhun.
Fasteners ba wɛ à?
Zǐn dò bo kpɔ́n AYA FASTENERS sín wema Fastener ɖaxó ɔ, kaka jɛ vis, gǒjiblanú, nǔsisɔ, kpo nǔ e nɔ hɛn nǔ gblé dó mɛ wu lɛ é kpo jí.
Wɛnɖagbe:+86-311-85870676
Nǔwlanwlán/Wema:+8615823215841
Email:sales@ayafasteners.com
Adrɛsi: Tokpɔn Hebei tɔn, Chine








